【产品说明】
600X型电动控制阀性能参数:
|
型号 |
J241X-10 |
J241X-16 |
J241X-25 |
|
工作压力(MPa) |
1 |
1.6 |
2.5 |
|
适用温度(℃) |
0~80 |
||
|
适用介质 |
水 |
||
600X型电动控制阀零部件材料:
|
材料 |
阀体、阀盖 |
铸铁 |
|
阀杆 |
铬不锈钢 |
|
|
阀座、阀盘 |
青铜 |
|
|
膜片 |
丁晴橡胶 |
600X型电动控制阀外形及结构尺寸:
|
DN
|
L
|
A
|
A1
|
H
|
H1
|
F
|
D
|
D1
|
D2
|
n-Φd
|
||||||||
|
mm
|
mm
|
mm
|
||||||||||||||||
|
mm
|
mm
|
mm
|
mm
|
mm
|
mm
|
PN1.0
|
PN1.6
|
PN2.5
|
PN1.0
|
PN1.6
|
PN2.5
|
PN1.0
|
PN1.6
|
PN2.5
|
PN1.0
|
PN1.6
|
PN2.5
|
|
|
20
|
180
|
194
|
136
|
342
|
250
|
116
|
105
|
105
|
105
|
75
|
75
|
75
|
58
|
58
|
56
|
4-13.5
|
4-13.5
|
4-14
|
|
25
|
180
|
194
|
136
|
342
|
250
|
116
|
115
|
115
|
115
|
85
|
85
|
85
|
68
|
68
|
65
|
4-13.5
|
4-13.5
|
4-14
|
|
32
|
180
|
194
|
136
|
342
|
250
|
116
|
140
|
140
|
140
|
100
|
100
|
100
|
78
|
78
|
76
|
4-17.5
|
4-17.5
|
4-18
|
|
40
|
240
|
240
|
155
|
395
|
278
|
170
|
150
|
150
|
150
|
110
|
110
|
110
|
88
|
88
|
84
|
4-17.5
|
4-17.5
|
4-18
|
|
50
|
240
|
240
|
155
|
395
|
278
|
170
|
165
|
165
|
165
|
125
|
125
|
125
|
102
|
102
|
99
|
4-17.5
|
4-17.5
|
4-18
|
|
65
|
255
|
255
|
165
|
405
|
298
|
180
|
185
|
185
|
185
|
145
|
145
|
145
|
122
|
122
|
118
|
4-17.5
|
4-17.5
|
8-18
|
|
80
|
280
|
280
|
175
|
430
|
315
|
210
|
200
|
200
|
200
|
160
|
160
|
160
|
133
|
133
|
132
|
8-17.5
|
8-17.5
|
8-18
|
|
100
|
360
|
332
|
195
|
510
|
350
|
275
|
220
|
220
|
235
|
180
|
180
|
190
|
158
|
158
|
156
|
8-17.5
|
8-17.5
|
8-22
|
|
125
|
400
|
375
|
220
|
560
|
365
|
310
|
250
|
250
|
270
|
210
|
210
|
220
|
184
|
184
|
184
|
8-17.5
|
8-17.5
|
8-26
|
|
150
|
455
|
408
|
230
|
585
|
420
|
355
|
285
|
285
|
300
|
240
|
240
|
250
|
212
|
212
|
211
|
8-22
|
8-22
|
8-26
|
|
200
|
585
|
485
|
255
|
675
|
450
|
460
|
340
|
340
|
360
|
295
|
295
|
310
|
268
|
268
|
274
|
8-22
|
12-22
|
12-26
|
|
250
|
650
|
550
|
300
|
730
|
470
|
500
|
395
|
405
|
425
|
350
|
355
|
370
|
320
|
320
|
330
|
12-22
|
12-26
|
12-30
|
|
300
|
800
|
630
|
340
|
760
|
490
|
580
|
445
|
460
|
485
|
400
|
410
|
430
|
370
|
370
|
389
|
12-22
|
12-26
|
16-30
|
|
350
|
860
|
735
|
415
|
840
|
526
|
640
|
505
|
520
|
555
|
460
|
470
|
490
|
430
|
430
|
448
|
16-22
|
16-26
|
16-33
|
|
400
|
960
|
788
|
430
|
910
|
570
|
715
|
565
|
580
|
620
|
515
|
525
|
550
|
482
|
482
|
503
|
16-26
|
16-30
|
16-36
|
|
450
|
1075
|
850
|
460
|
1070
|
610
|
780
|
615
|
640
|
670
|
565
|
585
|
600
|
532
|
550
|
548
|
20-26
|
20-30
|
20-36
|
|
500
|
1075
|
905
|
490
|
1135
|
665
|
830
|
670
|
715
|
730
|
620
|
650
|
660
|
585
|
585
|
609
|
20-26
|
20-33
|
20-36
|
|
600
|
1230
|
970
|
530
|
1270
|
725
|
920
|
780
|
840
|
845
|
725
|
770
|
770
|
685
|
685
|
720
|
20-30
|
20-36
|
20-39
|
|
700
|
1650
|
1050
|
560
|
1460
|
865
|
980
|
895
|
910
|
960
|
840
|
840
|
875
|
800
|
800
|
820
|
24-30
|
24-36
|
24-42
|
|
800
|
1750
|
1135
|
610
|
1640
|
975
|
1050
|
1015
|
1025
|
1085
|
950
|
950
|
990
|
905
|
905
|
928
|
24-33
|
24-39
|
24-4
|

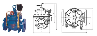
600X型电动控制阀安装示意图:
